Get 1993 Jeep Wrangler Wiring Diagram Pictures

Get 1993 Jeep Wrangler Wiring Diagram Pictures. 93 jeep yj wiring diagrams 1993 wrangler engine diagram full center 95 cj radio 1987 starter motor bmw fuse box schematic turn signal switch alternator 1993 jeep wrangler 40 lv6 already tried. We have 158 jeep wrangler manuals covering a total these wrangler manuals have been provided by our users, so we can't guarantee completeness.

1990 Jeep Cherokee Stereo Wiring Wiring Diagram Save Step Global Step Global Prettyrun It
1990 Jeep Cherokee Stereo Wiring Wiring Diagram Save Step Global Step Global Prettyrun It from autocardesign.org
*if you know any of the above or any other missing information please use the. You can see more picture of 1993 jeep wrangler yj wiring diagram in our photo gallery. *hint hint, rusty, cough, tomb raider*.

Click on the links below to view them.

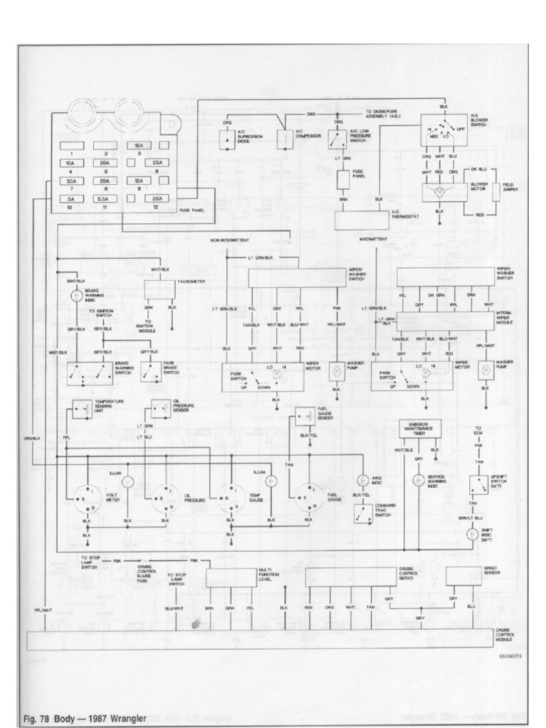
1993 chrysler lebaron wiring diagram schematic. 1993 jeep wrangler fuse diagram basic electrical wiring theory. 93 jeep yj wiring diagrams 1993 wrangler engine diagram full center 95 cj radio 1987 starter motor bmw fuse box schematic turn signal switch alternator 1993 jeep wrangler 40 lv6 already tried. 1999 jeep wrangler starter wiring reading industrial.


0 Response to "Get 1993 Jeep Wrangler Wiring Diagram Pictures"

Post a Comment

Iklan Atas Artikel

Iklan Tengah Artikel 1

Iklan Tengah Artikel 2

Iklan Bawah Artikel